Home
Empresa
Ascensores
Componentes
Estructuras
Hibrilift
Menu
Con cuarto de máquinas
Eléctricos
Hidráulicos
Sin cuarto de máquinas
Eléctricos Gearless
Hidráulicos
Especial rehabilitaciones
Hidráulico F-200 y/o huida reducida
Eco2Lift MONOFÁSICO(2:1)
Especiales
Montacargas – Plano genérico
Montacoches – Plano genérico
Montacamillas – Plano genérico
Panorámicos – Fotos
ASCENSORES - Con cuarto de Maquinas - Eléctricos
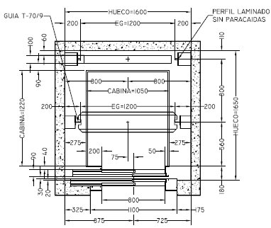
300kg – plano y losa
Sin descripción.
Descargar fichero - 104 Kb
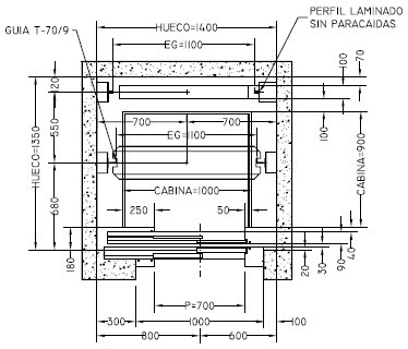
450kg – plano y losa
Sin descripción.
Descargar fichero - 117 Kb
600kg – plano y losa
Sin descripción.
Descargar fichero - 105 Kb
Enlaces Directos
EASYLIFT
|
ECO2LIFT
|
F200
|
HIBRILIFT
|
Estructuras
|
Cabinas
|
Chasis
|
Botoneras
|
Maniobras